FONCTION : :PRÉ-POSTCHAUFFAGE :

POUR 1CN6 ET DVY01 ET B0F2X ET DEPUIS O 8211 OU JUSQU'A O 8687 OU

POUR 1CN7 ET DVY01 ET B0F2X ET DEPUIS O 8688 OU

POUR 1CN8 ET DVY01 ET B0F2X ET DEPUIS O 8365 OU

POUR 1CU6 ET DVY01 ET B0F7C ET DEPUIS O 8276 OU

POUR 1CX4 ET DVY01 ET B0F7C ET DEPUIS O 8688 OU

POUR 1CX4 ET DVY01 ET B0F2X ET DEPUIS O 8688 OU

POUR 1C2X ET DVY01 ET B0F7C ET DEPUIS O 8001 OU

POUR 1C6N ET DVY01 ET B0F2X ET DEPUIS O 8365 OU

POUR 2CM4 ET DVY01 ET B0F2X ET DEPUIS O 8358 OU

POUR 2CU6 ET DVY01 ET B0F7C ET DEPUIS O 8421 OU

POUR 2CU6 ET DVY01 ET B0F7U ET DEPUIS O 8421


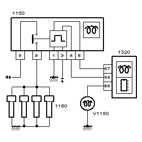
1 - Synoptique

Fig : D3AP016C

Fig : D3AP016C

(1150) boîtier de pré-postchauffage.

(1160) bougies de préchauffage.

(1320) calculateur de contrôle moteur.

(V1150) voyant préchauffage.

2 - Bougies de préchauffage (1160) (1160)

2.1 - Rôle.

Les bougies de préchauffage permettent une montée rapide de la température dans les chambres de combustion pendant la phase de démarrage.

2.2 - Description.

Fig : B1HP11PC

Fig : B1HP11PC

Bougies de préchauffage 11 volts.

Longueur totale 107 mm.

Constitution des bougies de préchauffage :
  • Une résistance chauffante.
  • Une enveloppe métallique de protection.

  • 3 - Boîtier de pré-postchauffage (1150) (1150)

    3.1 - Rôle.

    Le boîtier alimente électriquement les bougies de préchauffage en fonction des ordres du calculateur d'injection.

    3.2 - Description.

    Les temps de pré-postchauffage sont déterminés par le calculateur d'injection.

    En cas de défaillance du boîtier de préchauffage, le calculateur d'injection mémorise un défaut.

    3.3 - Particularités électriques.

    Affectation des voies du connecteur :
  • Voie N° 1 :Masse.
  • Voie N° 2 :Voie inutilisée.
  • Voie N° 3 : +12 volts après contact.
  • Voie N° 4 :Entrée calculateur de contrôle moteur.
  • Voie N° 5 :Diagnostic boîtier de préchauffage.
  • Voie N° 8 : +12 volts permanent.
  • Voie N° 9 :Alimentation des bougies de préchauffage.

  • 3.4 - Implantation.

    Suivant véhicule.