FONCTION : :REFROIDISSEMENT MOTEUR : (INTÉGRÉ AU CALCULATEUR D'INJECTION) :

POUR 1CN6 ET DVY01 ET B0F2X ET DEPUIS O 8211 OU JUSQU'A O 8687 OU

POUR 1CN7 ET DVY01 ET B0F2X ET DEPUIS O 8688 OU

POUR 1CN8 ET DVY01 ET B0F2X ET DEPUIS O 8365 OU

POUR 1CU6 ET DVY01 ET B0F7C ET DEPUIS O 8276 OU

POUR 1CX4 ET DVY01 ET B0F7C ET DEPUIS O 8688 OU

POUR 1CX4 ET DVY01 ET B0F2X ET DEPUIS O 8688 OU

POUR 1C2X ET DVY01 ET B0F7C ET DEPUIS O 8001 OU

POUR 1C6N ET DVY01 ET B0F2X ET DEPUIS O 8365 OU

POUR 2CM4 ET DVY01 ET B0F2X ET DEPUIS O 8358 OU

POUR 2CU6 ET DVY01 ET B0F7C ET DEPUIS O 8421 OU

POUR 2CU6 ET DVY01 ET B0F7U ET DEPUIS O 8421


Fonctions du calculateur d'injection :
  • Contrôle de la mise en marche et de l'arrêt du ou des motoventilateurs(refroidissement moteur et fonction climatisation).
  • Contrôle de la postventilation(pendant 6 minutes maximum).
  • Contrôle de l'allumage du voyant d'alerte température d'eau au combiné (*).
  • Contrôle du logomètre de température d'eau au combiné (*).
  • Diagnostic du fonctionnement du ou des motoventilateurs.
  • Acquisition de la température d'eau moteur.
  • Gestion des modes dégradés.


  • NOTA : (*) suivant version.

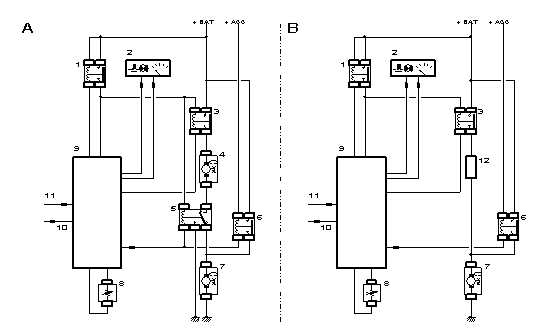
    1 - Synoptique

    Fig : D3AP017D

    Fig : D3AP017D

    A :montage avec 2 motoventilateurs.

    B :montage avec 1 motoventilateur.

    +BAT =+ batterie.

    +ACC =+ accessoires.

    (1) relais double injection.

    (2) combiné planche de bord. (logomètre + voyant d'alerte au combiné).

    (3) relais 1.

    (4) motoventilateur 1.

    (5) relais 2.

    (6) relais 3.

    (7) motoventilateur 2.

    (8) sonde de température d'eau moteur.

    (9) calculateur d'injection.

    (10) commande du compresseur de réfrigération.

    (11) information climatisation en service.

    (12) résistance.

    2 - Sonde de température d'eau moteur (1220) (1220)

    La sonde de température d'eau informe le calculateur de la température du liquide de refroidissement moteur.

    La sonde est constituée d'une résistance à Coefficient de Température Négatif (CTN).

    Plus la température augmente plus sa valeur de résistance diminue.

    La sonde de température d'eau est implantée sur le boîtier d'eau.


    ATTENTION : Il existe 2 montages de sonde de température d'eau.

    3 - Information climatisation en service

    Cette information est fournie par le calculateur de climatisation, lorsque la climatisation est mise en marche.

    Le ou les motoventilateurs sont commandés en petite vitesse lorsque l'information climatisation en service est reçue par le calculateur d'injection.

    4 - Groupe motoventilateur

    Il existe 2 types de montage :
  • Montage avec 1 motoventilateur.
  • Montage avec 2 motoventilateurs.


  • ATTENTION : Les seuils d'enclenchement du ou des motoventilateurs dépendent du véhicule :se reporter à la documentation correspondante.

    4.1 - Montage avec 1 motoventilateur.

    Il y a 2 vitesses de fonctionnement :
  • Petite vitesse.
  • Grande vitesse.

  • La petite vitesse est obtenue en alimentant le motoventilateur au travers d'une résistance disposée en série sur le circuit d'alimentation.

    La grande vitesse est obtenue en alimentant en direct le motoventilateur.

    Le passage de petite à grande vitesse est immédiat.

    Avant de passer en grande vitesse, le ou les motoventilateurs sont commandés 3 secondes en petite vitesse.

    4.2 - Montage avec 2 motoventilateurs.

    Il y a 2 vitesses de fonctionnement :
  • Petite vitesse.
  • Grande vitesse.

  • La petite vitesse est obtenue en alimentant les motoventilateurs en série.

    La grande vitesse est obtenue en alimentant les motoventilateurs en parallèle.

    Le passage de petite à grande vitesse est immédiat.

    Avant de passer en grande vitesse, le ou les motoventilateurs sont commandés 3 secondes en petite vitesse.

    5 - Postventilation

    À l'arrêt du moteur, le calculateur commande la postventilation, si la température d'eau dépasse un certain seuil (*).

    La postventilation s'effectue en petite vitesse et dure au maximum 6 minutes après l'arrêt du moteur.


    NOTA : À la coupure du contact, une tension batterie inférieure à 10,5 volts interdit la postventilation.

    (*) suivant véhicule.

    6 - Mode dégradé

    Rôle du calculateur d'injection lors d'une défaillance de la sonde de température d'eau :
  • Commander un fonctionnement en grande vitesse du ou des motoventilateurs.
  • Commander le clignotement du voyant d'alerte de température d'eau au combiné(suivant version).