PHASES DE FONCTIONNEMENT : :SYSTÈME D'INJECTION DIRECTE HDI :

POUR 1CN6 ET DVY01 ET B0F2X ET DEPUIS O 8211 OU JUSQU'A O 8687 OU

POUR 1CN7 ET DVY01 ET B0F2X ET DEPUIS O 8688 OU

POUR 1CN8 ET DVY01 ET B0F2X ET DEPUIS O 8365 OU

POUR 1CU6 ET DVY01 ET B0F7C ET DEPUIS O 8276 OU

POUR 1CX4 ET DVY01 ET B0F2X ET DEPUIS O 8688 OU

POUR 1CX4 ET DVY01 ET B0F7C ET DEPUIS O 8688 OU

POUR 1C2X ET DVY01 ET B0F7C ET DEPUIS O 8001 OU

POUR 1C6N ET DVY01 ET B0F2X ET DEPUIS O 8365 OU

POUR 2CM4 ET DVY01 ET B0F2X ET DEPUIS O 8358 OU

POUR 2CU6 ET DVY01 ET B0F7C ET DEPUIS O 8421 OU

POUR 2CU6 ET DVY01 ET B0F7U ET DEPUIS O 8421


1 - Préambule

1.1 - Principe général.

Les injecteurs diesel injectent le carburant nécessaire au fonctionnement du moteur.

Principe de l'injection directe HDI :
  • Lorsque le régime moteur est faible (au ralenti par exemple), le temps d'ouverture des injecteurs diesel peut-être long.
  • La pression d'injection peut-être faible.

  • Quand le besoin énergétique du moteur est plus important (par exemple au régime de régulation) :
  • Le temps disponible pour ouvrir les injecteurs diesel est plus faible.
  • La pression d'injection du carburant doit être beaucoup plus élevée.

  • La conception du système d'injection directe HDI permet de modifier les 3 paramètres suivants :
  • Pression d'injection(en prélevant le carburant sous haute pression dans la rampe d'injection).
  • Débit de carburant injecté(en agissant sur le temps d'ouverture des injecteurs diesel).
  • Début de l'injection.


  • NOTA : L'injection HDI est définie par le cumul des 3 paramètres ci-dessus.

    1.2 - Cartographie.

    Le point de fonctionnement de l'injection est choisi en fonction des 3 paramètres suivants (cartographie de base) :
  • Pression de carburant.
  • Débit de carburant injecté.
  • Régime moteur.

  • Fig : B1HP11QC

    Fig : B1HP11QC

    X :haute pression carburant.

    Y :régime moteur.

    Z :débit de carburant injecté.

    Le calculateur d'injection conserve en mémoire les cartographies suivantes :
  • Cartographie pédale d'accélérateur.
  • Courbe pleine charge.
  • Cartographie pression de suralimentation.
  • Cartographie de recyclage des gaz d'échappement.
  • Cartographie de limitation des fumées.
  • Cartographie haute pression carburant.

  • 2 - Synoptique de l'injection

    Fig : B1HP11RP

    Fig : B1HP11RP

    Repère Désignation
    A Calcul de la quantité de carburant à injecter
    B Contrôle de la haute pression carburant
    C Contrôle de l'injection directe HDI
    D Contrôle du recyclage des gaz d'échappement (E.G.R)
    E Contrôle de la pression de suralimentation
    F Contrôle du démarrage du moteur
    1 Pédale d'accélérateur
    2 Cartographie pédale d'accélérateur
    3 Régulation du régime de ralenti
    4 Cartographie d'accélération maximum
    5 Courbe pleine charge
    6 Choix du débit minimum
    7 Régulation anti à coups
    8 Régulation du démarrage
    9 Régulation régularité de fonctionnement
    10 Cartographie haute pression carburant
    13 Régulation haute pression carburant
    14 Commande des injecteurs diesel (1-3-4-2)
    15 Rampe d'injection commune haute pression carburant
    16 Régulateur haute pression carburant
    17 Moteur
    18 Pompe haute pression carburant
    19 Régulateur haute pression carburant
    20 Capteur de régime moteur
    21 Soupape régulatrice de pression de suralimentation
    22 Électrovanne de régulation de pression de suralimentation
    23 Vanne de recyclage des gaz d'échappement (E.G.R)
    24 Électrovanne de régulation de recyclage (E.G.R)
    25 Débitmètre d'air
    26 Régulation de recyclage gaz d'échappement ( EGR)
    27 Régulation de la pression de suralimentation
    28 Capteur de pression tubulure d'admission
    29 Cartographie de limitation des fumées
    30 Cartographie de recyclage des gaz d'échappement
    31 Cartographie pression de suralimentation

    3 - Rôle des principales cartographies

    3.1 - Cartographie pédale d'accélérateur.

    Rôle de la cartographie pédale d'accélérateur (en filtrant la demande du conducteur) :
  • Éviter les variations importantes du débit carburant(agrément de conduite).
  • Obtenir une bonne progressivité (agrément de conduite).


  • NOTA : La cartographie intervient sur le calcul de la quantité de carburant à injecter.

    3.2 - Courbe pleine charge.

    La courbe pleine charge limite la quantité de carburant à injecter.

    La courbe pleine charge permet de ne pas dépasser la quantité de carburant admissible par le moteur (limites mécaniques, quantité d'air absorbée par le moteur).

    3.3 - Cartographie pression de suralimentation.

    Véhicules concernés :véhicules équipés d'un turbocompresseur piloté.

    Cette cartographie permet de déterminer la suralimentation en air à partir de la quantité de carburant à injecter.

    3.4 - Cartographie de recyclage des gaz d'échappement.

    Cette cartographie permet de déterminer très exactement le taux de recyclage des gaz d'échappement.

    Le taux de recyclage des gaz d'échappement est obtenu principalement à partir des paramètres suivants :
  • Quantité de carburant à injecter.
  • Pression atmosphérique.
  • Quantité d'air entrant dans le moteur(calcul).

  • 3.5 - Cartographie de limitation des fumées.

    Cette cartographie permet de limiter les émissions des fumées, elle est utilisée en régime transitoire (changement de rapport de vitesse par exemple).

    Exemple :
  • Le conducteur demande un changement de régime.
  • L'équilibre entre quantité de carburant et quantité d'air n'est plus assuré.

  • La cartographie gère l'évolution du débit carburant par rapport au régime pour rester dans des bonnes limites d'émission des fumées.

    3.6 - Cartographie haute pression carburant.

    Cette cartographie permet de déterminer la valeur de la haute pression carburant en fonction de la quantité de carburant à injecter.

    Cette cartographie prend en compte le régime moteur et la quantité calculée de carburant à injecter.

    4 - Fonctionnement général

    La quantité de carburant à injecter est calculée à partir des paramètres suivants :
  • Position de la pédale d'accélérateur.
  • Point de fonctionnement moteur (régime moteur, températures, pressions).

  • En fonction de la quantité de carburant à injecter, le calculateur d'injection détermine les paramètres suivants :
  • Haute pression carburant nécessaire dans la rampe d'injection.
  • Début de l'injection.
  • Temps d'injection.

  • Le calculateur d'injection fait appel à des stratégies spécifiques pour le démarrage et l'arrêt du moteur.

    5 - Détermination de la quantité de carburant à injecter

    5.1 - Généralités.

    La quantité de carburant à injecter est déterminée à partir de la demande conducteur fournie par la position de la pédale d'accélérateur.

    Pour déterminer la quantité de carburant à injecter, le calculateur d'injection prend en compte les éléments suivants :
  • Demande du conducteur(après filtrage).
  • Cartographie de limitation des fumées.
  • Courbe pleine charge(cartographie de richesse maximum).
  • Cartographie de ralenti.

  • Chaque cartographie détermine une quantité de carburant à injecter.

    Le choix de la quantité de carburant à injecter est effectué selon un niveau de priorité prédéterminé.


    NOTA : Si le moteur tourne au ralenti, c'est la valeur fournie par la cartographie de ralenti qui est prise en compte.
    La quantité de carburant à injecter ne dépasse jamais la valeur donnée par les cartographies ci-dessous :
  • Courbe pleine charge.
  • Cartographie de limitation des fumées.

  • La quantité de carburant déterminée est la quantité totale de carburant injecté lors des phases suivantes :
  • Préinjection.
  • Injection principale.


  • NOTA : En phase de démarrage la position de la pédale d'accélérateur n'est pas prise en compte.

    5.2 - Corrections particulières :régulation du régime de ralenti.

    Rôle de la fonction régulation de ralenti :
  • Réguler le régime de ralenti.
  • Obtenir un régime de ralenti accéléré dégressif en fonction du réchauffement du moteur.
  • Améliorer le régime de ralenti véhicule roulant.

  • 5.3 - Corrections particulières :coupure d'injection.

    Une coupure d'injection en pied levé intervient si la quantité calculée de carburant à injecter est égale à 0 (véhicule en décélération).

    Régime de réattelage 2200 tr/mn.

    Une coupure d'injection en surrégime intervient lorsque le régime moteur atteint 5300 tr/mn.


    NOTA : Lorsque la pression d'injection est trop élevée le calculateur d'injection commande le régulateur haute pression carburant avec un RCO minimum.

    RCO : Rapport Cyclique d'Ouverture.

    5.4 - Corrections particulières :régulation anti à coups.

    Cette fonction à pour but d'affiner le premier filtrage effectué par la cartographie pédale d'accélérateur.

    Lors d'accélération ou de décélération les variations de débit carburant sont modifiées progressivement.

    6 - Régulation haute pression carburant

    6.1 - Généralités.

    Fig : B1HP11SC

    Fig : B1HP11SC

    (15) rampe d'injection commune haute pression carburant.

    (18) pompe haute pression carburant.

    (32) calculateur d'injection.

    (33) capteur haute pression carburant.

    Phases de fonctionnement :
  • Le calculateur d'injection commande le régulateur de pression avec une tension RCO à partir de la valeur théorique de pression(cartographie haute pression carburant).
  • Le capteur haute pression carburant mesure la valeur de la pression dans la rampe d'injection commune haute pression carburant.
  • Le calculateur d'injection corrige le RCO appliqué au régulateur de pression pour obtenir une pression théorique égale à la pression mesurée dans la rampe d'injection commune.


  • NOTA : Le calculateur d'injection enregistre un défaut "RÉGULATION HAUTE PRESSION" si il n'arrive pas à obtenir la pression voulue dans la rampe d'injection.

    6.2 - Fonctionnement du désactivateur du 3ème piston de la pompe haute pression carburant.

    Fig : B1HP11TD

    Fig : B1HP11TD

    Phases de fonctionnement :
  • a :Utilisation des 3 pistons.
  • b : Utilisation de 2 ou 3 pistons(hystérésis).
  • c :Utilisation de 2 pistons.
  • N :Régime moteur(tr/mn).
  • Q :Débit de carburant injecté(litres).

  • La pompe fonctionne sur 3 pistons :
  • Au régime de ralenti.
  • À partir des 2/3 de la pleine charge jusqu'à la pleine charge.

  • La pompe fonctionne sur 2 pistons :
  • En dehors du régime de ralenti.
  • Au-dessous des 2/3 de la pleine charge moteur.


  • NOTA : Si la température carburant dépasse 106 °C, la pompe haute pression carburant ne fonctionne plus que sur 2 pistons (désactivateur du 3ème piston alimenté).

    7 - Injection directe HDI

    Le calculateur d'injection agit indépendamment sur chaque injecteur pour déclencher chaque injection.

    Ordre d'alimentation des injecteurs : 1-3-4-2.

    Le carburant peut être injecté dans les cas suivants :
  • Préinjection(réduction de bruit de fonctionnement).
  • Injection principale.
  • Si nécessaire :Postinjection(réduction des polluants).

  • 7.1 - Détermination du temps d'injection.

    Le temps d'injection est déterminé à partir des paramètres suivants :
  • Quantité de carburant à injecter.
  • Pression disponible dans la rampe d'injection commune haute pression carburant.
  • Régime moteur.

  • Pour un cycle moteur le temps d'injection peut être divisé en 2 phases :
  • Préinjection.
  • Injection principale.

  • 7.2 - Détermination du début d'injection (avance).

    Le début de la commande de préinjection est calculée en fonction de la quantité de carburant à injecter.

    Une correction de l'avance à l'injection est effectuée lorsque la température de liquide de refroidissement est faible.

    8 - Détermination du type d'injection

    8.1 - Préinjection.

    Le début de préinjection est déclenché avant l'injection principale.

    Le calculateur d'injection décide d'une préinjection si le régime moteur est inférieur à 3200 tr/mn (réduction de bruit de fonctionnement).

    La préinjection est supprimée dans les cas suivants :
  • Régime moteur supérieur à 3200 tr/mn.
  • Haute pression insuffisante.
  • Dégazage de la rampe d'injection commune haute pression(phase de démarrage).
  • Lorsque le débit carburant est inférieur à un seuil minimum.


  • NOTA : Le temps de préinjection est limité en fonction de la haute pression disponible dans la rampe d'injection commune haute pression.

    8.2 - Injection principale.

    Le début et le temps d'injection sont variables notamment en présence ou non d'une préinjection.

    L'injection principale est supprimée dans les cas suivants :
  • Pression insuffisante dans la rampe d'injection commune haute pression carburant(pression inférieure à 120 bars).
  • Régime moteur maximum atteint.

  • 8.3 - Postinjection.

    La postinjection associée à un catalyseur spécifique permet de réduire, en plus des autres polluants, le taux d'oxyde d'azote.

    La postinjection est caractérisée par les paramètres suivants :
  • Le début d'injection, en fonction du régime moteur.
  • Le temps d'injection, en fonction du régime moteur, de la pression atmosphérique, de la température d'air et du liquide de refroidissement moteur.

  • La postinjection est supprimée dans les cas suivants :
  • Température du catalyseur en dehors de limites précises.
  • Haute pression insuffisante.
  • Dysfonctionnement sur le débitmètre d'air.
  • Dysfonctionnement sur l'électrovanne E.G.R.
  • Dysfonctionnement sur l'électrovanne de régulation de pression de suralimentation.
  • Dysfonctionnement du capteur de pression tubulure d'admission.

  • 8.4 - Régularité de fonctionnement moteur.

    Le fonctionnement du moteur au ralenti entraîne des vibrations.

    Le calculateur d'injection détermine la régularité de fonctionnement du moteur à partir des paramètres suivants :
  • Régime moteur.
  • Position du vilebrequin.

  • Rôle du calculateur d'injection en fonction de l'information reçue :
  • Analyser les différences de vitesse de rotation instantanée pour chaque cylindre.
  • Calculer une correction personnalisée du débit de carburant par injecteur diesel, à partir des régimes de rotation relevés.


  • NOTA : La correction de débit est exprimée en quantité de carburant :X mg de carburant/coup d'injection ( - 5 à + 5 mg/coup).

    9 - Régulation de la pression de suralimentation

    Le calcul de la pression de suralimentation est effectué à partir des paramètres suivants :
  • Régime moteur.
  • Quantité de carburant à injecter.

  • Les seuils de la valeur de suralimentation sont variables et dépendent des conditions de charge moteur.

    La valeur maximale de suralimentation est de 950 mbar entre 2500 et 3500 tr/mn.

    La pression de suralimentation peut être régulée ou gérée en boucle ouverte.


    NOTA : Lors du démarrage du moteur, la pression de suralimentation n'est pas régulée.
    Avantages d'une pression de suralimentation régulée :
  • Agrément de conduite.
  • Meilleur compromis performance/consommation.

  • 10 - Régulation du recyclage des gaz d'échappement

    Fig : B1HP11UC

    Fig : B1HP11UC

    (20) capteur régime moteur.

    (23) vanne de recyclage des gaz d'échappement (E.G.R).

    (24) électrovanne de régulation de recyclage (E.G.R).

    (25) débitmètre d'air.

    (32) calculateur d'injection.

    Le recyclage des gaz d'échappement est de type progressif et géré par une cartographie.

    Rôle du calculateur d'injection en fonction de l'information reçue (taux de recyclage des gaz d'échappement déterminé dans la cartographie) :
  • Commander l'électrovanne de recyclage des gaz d'échappement avec une tension RCO.
  • Déterminer le taux de recyclage des gaz d'échappement.
  • Corriger le RCO appliqué à l'électrovanne de recyclage des gaz d'échappement de manière à obtenir taux de recyclage théorique égal au taux mesuré.


  • NOTA : Taux de recyclage des gaz d'échappement =différence entre la mesure du débitmètre d'air et le calcul de la quantité d'air entrant dans le moteur. (en fonction du régime moteur et de la température d'air).
    Conditions permettant le recyclage des gaz d'échappement :
  • Régime moteur supérieur à 780 tr/mn.
  • Faible charge moteur.
  • Température d'eau moteur supérieure à 60 °C.

  • Conditions d'interdiction du recyclage des gaz d'échappement :
  • Moteur pleine charge.
  • Régime moteur supérieur à 2700 tr/mn.
  • Altitude dépassant 1500 m.

  • 11 - Démarrage du moteur

    11.1 - Généralités.

    L'entrée dans la phase démarrage a lieu dès que le calculateur d'injection est mis sous tension.

    Lors du démarrage le calculateur d'injection commande les éléments suivants :
  • Pompe de gavage (basse pression)(coupure après 3 secondes, si le démarreur n'est pas lancé).
  • Bougies de préchauffage(si nécessaire).
  • Régulateur haute pression carburant(montée en pression).

  • Dès l'action du démarreur, le calculateur d'injection fixe la valeur de la haute pression carburant à partir de la température d'eau moteur.

    En début de démarrage le régulateur de haute pression est commandé avec le RCO déterminé par la cartographie de démarrage.

    Dans cette phase de fonctionnement le capteur haute pression carburant n'est pas pris en compte.

    La haute pression carburant est régulée par l'un des paramètres ci-dessous :
  • Régime moteur supérieur à 20 tr/mn avec au moins 4 tours moteurs effectués.
  • Pression dans la rampe d'injection commune haute pression carburant supérieure à 150 bars.

  • La phase de démarrage est terminée dès que le seuil de régime moteur est dépassé.


    NOTA : Le calculateur d'injection ne pilote les injecteurs que si la pression dépasse 120 bars.

    À faible charge moteur, la pression de consigne est fixée à 400 bars.

    En cas de difficulté de démarrage, le calculateur d'injection force une montée en pression en envoyant une commande de RCO maximale de 40 % à 80 % (régulateur haute pression carburant).

    En cas de défaillance du capteur haute pression carburant :
  • Le calculateur d'injection alimente le régulateur haute pression carburant de façon à obtenir une pression de 400 bars(RCO de commande du régulateur haute pression à 21 %).
  • La pression dans la rampe d'injection commune haute pression carburant n'est plus régulée.

  • 11.2 - Dégazage de la rampe d'injection commune haute pression carburant.

    Sur un moteur neuf, ou après ouverture du circuit haute pression carburant, la rampe d'injection commune doit être dégazée.

    Après 10 secondes d'action du démarreur, le calculateur d'injection commande les injecteurs diesel, de façon à purger l'air présent dans le circuit.


    ATTENTION : Si la pression minimale de 120 bars n'est pas atteinte, l'injection est interdite, le moteur ne démarre pas.

    12 - Arrêt du moteur

    Lors de la coupure du contact, le calculateur d'injection provoque l'arrêt du moteur en commandant les éléments suivants :
  • Tension de commande du régulateur = 0 =RCO minimum.
  • Coupure de l'alimentation de la pompe de gavage.
  • Arrêt par coupure de la commande des injecteurs diesel.
  • Coupure des étages de commande des injecteurs diesel(dans le calculateur d'injection).


  • NOTA : Les ordres de coupure sont effectués dans un ordre différent à chaque arrêt moteur, pour permettre au calculateur d'injection d'effectuer un diagnostic.

    Après l'arrêt du moteur, le relais double reste alimenté pendant 4 secondes pour permettre au calculateur d'injection de faire un diagnostic sur les éléments du système d'injection.

    13 - Sécurités de fonctionnement moteur

    13.1 - Protection surrégime.

    Le calculateur d'injection surveille en permanence le régime moteur.

    Dès que le régime moteur dépasse la valeur maximale ( 5300 tours), il y a coupure d'injection.


    NOTA : Pendant une phase de coupure d'injection, le calculateur d'injection assure la régulation de la haute pression carburant.

    13.2 - Fonction antiébullition.

    En complément d'un circuit de refroidissement optimisé, le calculateur d'injection intègre une stratégie antiébullition du liquide de refroidissement.

    Lors de roulage en conditions sévères, il y a limitation de la quantité de carburant injectée, pour éviter l'ébullition du liquide de refroidissement (remorquage au PTR, vitesse maximale).

    L'effet sur le véhicule se traduit par une réduction de la vitesse aussi bien en remorquage qu'en vitesse maximale.


    NOTA : Poids total roulant autorisé (PTR).

    14 - Pré-postchauffage

    Les temps de préchauffage et de postchauffage sont déterminés par le calculateur en fonction de la température du liquide de refroidissement moteur.

    14.1 - Fonctionnement du préchauffage.

    Le temps de préchauffage varie en fonction de la température de l'eau moteur.

    Température d'eau moteur Temps de préchauffage
    - 30 °C 16 secondes
    - 10 °C 5 secondes
    0 °C 0,5 seconde
    10 °C 0,25 seconde
    18 °C 0 seconde
    40 °C 0 seconde

    14.2 - Chauffage des bougies sous démarreur.

    Pendant la phase démarrage, les bougies sont alimentées dans les cas suivants :
  • Température d'eau moteur inférieure à 20 °C.
  • Moteur tournant à plus de 70 tr/mn pendant 0,2 seconde.


  • NOTA : Après extinction du voyant, si le démarreur n'est pas sollicité, les bougies de préchauffage restent alimentées pendant 10 secondes maximum.

    14.3 - Fonctionnement du postchauffage.

    Le postchauffage permet de prolonger le fonctionnement des bougies après la phase de démarrage.

    Le postchauffage permet de diminuer les émissions polluantes dans les premières minutes suivant le démarrage.

    Température d'eau moteur Temps de postchauffage
    - 30 °C 3 minutes
    - 10 °C 3 minutes
    0 °C 1 minute
    10 °C 1 minute
    18 °C 30 secondes
    40 °C 0 seconde
    Paramètres pouvant interrompre le postchauffage :
  • Température d'eau moteur inférieure à 20 °C.
  • Débit de carburant injecté supérieur à 35 mm³.
  • Régime moteur supérieur à 2000 tr/mn.

  • 15 - Chauffage additionnel

    Application :suivant véhicule et pays de commercialisation.

    Compte tenu du rendement élevé du moteur, il est nécessaire d'assister la montée en température de l'habitacle lors de basses températures.

    L'assistance de montée en température de l'habitacle est commandée par le calculateur d'injection.

    2 dispositifs sont utilisés suivant les pays de commercialisation :
  • Une chaudière additionnelle alimentée en carburant est implantée dans le passage de roue avant gauche(véhicules pays grand froid).
  • Plusieurs thermoplongeurs (résistances électriques) d'appoint implantés sur le circuit d'eau de l'aérotherme.

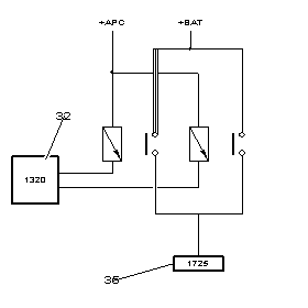
  • 16 - Synoptique

    Fig : B1HP11VC

    Fig : B1HP11VC

    (32) calculateur d'injection.

    (34) thermoplongeurs (électriques).

    (35) chaudière additionnelle.

    Les thermoplongeurs d'appoint sont implantés en série sur le circuit d'eau aérotherme.

    Le calculateur d'injection autorise la mise en marche de ces systèmes de chauffage additionnels en fonction des paramètres suivants :
  • Température d'eau moteur.
  • Température d'air extérieur.

  • 17 - Présentation des systèmes de chauffage additionnels

    17.1 - Thermoplongeurs (électriques).

    Il existe 2 types de montage (suivant véhicule) :
  • Montage à 2 relais - 2 groupes de thermoplongeurs.
  • Montage à 3 relais - 3 groupes de thermoplongeurs.

  • Fig : D3AP018C

    Fig : D3AP018C

    Montage à 2 relais - 2 groupes de thermoplongeurs.

    (32) calculateur d'injection.

    (34) thermoplongeurs (électriques).

    Les thermoplongeurs permettent de fournir unitairement une puissance de 200 watts.

    Ce montage permet d'obtenir deux puissances de chauffage 400 ou 800 Watts.

    Fig : D3AP019C

    Fig : D3AP019C

    Montage à 3 relais - 3 groupes de thermoplongeurs.

    (32) calculateur d'injection.

    (34) thermoplongeurs (électriques).

    Les thermoplongeurs permettent de fournir unitairement une puissance de 300 watts.

    Ce montage permet d'obtenir deux puissances de chauffage 300 ou 900 Watts.

    17.2 - Chaudière additionnelle.

    Fig : D3AP01AC

    Fig : D3AP01AC

    (32) calculateur d'injection.

    (35) groupe de chauffage additionnel.

    Le câblage électrique ne permet d'obtenir qu'une seule puissance de chauffage.

    La gestion de la chaudière additionnelle est confiée à une électronique intégrée.

    17.3 - Commande des systèmes de chauffage habitacle.

    La mise en marche de la chaudière additionnelle intervient dans les cas suivants :
  • Température habitacle insuffisante(courbe spécifique).
  • Lorsque les conditions de fonctionnement moteur le permettent.

  • 17.4 - Détermination du besoin de chauffage additionnel.

    Fig : C5HP12SD

    Fig : C5HP12SD

    Ta =température d'air extérieur.

    Te =température d'eau moteur.

    d :exemple 1.

    e :exemple 2.

    (36) zone d'autorisation de réchauffage.

    Le calculateur d'injection détermine le besoin de chauffage de l'habitacle au démarrage en fonction de la courbe.

    Exemple 1 :
  • Température d'eau moteur = 40 °C.
  • Température extérieure = - 10 °C.
  • Les conditions de température sont dans la zone de mise en fonctionnement du chauffage additionnel.

  • Exemple 2 :
  • Température d'eau moteur = 60 °C.
  • Température extérieure = 10 °C.
  • Les conditions de température sont en dehors de la zone de mise en fonctionnement :Il n'y a pas de réchauffage.

  • 17.5 - Fonctionnement.

    Le calculateur d'injection détermine le besoin de chauffage de l'habitacle au démarrage en fonction de la courbe.

    Le calculateur d'injection commande la mise en marche de la chaudière additionnelle dans les conditions suivantes :
  • Moteur en fonctionnement depuis 60 secondes.
  • Régime moteur supérieur à 700 tr/mn.
  • Tension batterie supérieure à 12 volts(bilan électrique positif).
  • Température d'eau moteur supérieure à - 40 °C.

  • Dans un premier temps, le calculateur d'injection commande le premier étage de réchauffage, puis après une temporisation de 20 secondes le deuxième étage.

    La fin de commande du chauffage additionnel intervient dès que les conditions de température le permettent (courbe).

    18 - Coupure compresseur de réfrigération

    La coupure réfrigération est réalisée par le calculateur d'injection.

    Le calculateur d'injection est raccordé aux éléments suivants :
  • Un étage du pressostat implanté sur le circuit de climatisation.
  • Sonde de température d'eau moteur.

  • 18.1 - Synoptique.

    Fig : B1HP11WC

    Fig : B1HP11WC

    (32) calculateur d'injection.

    (37) pressostat de climatisation. (étage de commande 26 bars).

    (38) sonde de température d'eau moteur.

    (39) relais coupure compresseur réfrigération.

    (40) compresseur réfrigération.

    18.2 - Fonctionnement.

    Le calculateur peut couper l'alimentation de l'embrayage électromagnétique du compresseur de réfrigération dans les cas suivants :
  • Régime moteur inférieur à 750 tr/mn.
  • Température d'eau supérieure à 115 °C.
  • Pression dans le circuit de climatisation supérieure à 26 bars.

  • 19 - Fonction antidémarrage

    Le calculateur d'injection interdit le démarrage du moteur en interdisant l'injection.

    Principe de fonctionnement du dispositif : se reporter à la documentation correspondante.

    19.1 - Déverrouillage du système.

    À chaque mise du contact, l'authenticité des clés est vérifiée par l'un des systèmes suivants (selon version) :
  • Centrale de protection de l'habitacle (CPH).
  • Module transpondeur.

  • 19.2 - Verrouillage contact coupé.

    Le calculateur d'injection est automatiquement verrouillé dans les cas suivants :
  • Après coupure du contact, 10 secondes après l'ouverture de la porte conducteur.
  • Au maximum 10 minutes après coupure du contact.

  • Phases de fonctionnement :
  • Le système antidémarrage provoque le réveil du calculateur d'injection à partir de la voie 66 du connecteur.
  • Détection du signal de réveil par le calculateur d'injection.
  • Le calculateur d'injection commande l'alimentation du premier étage du relais double d'injection.
  • Le calculateur d'injection peut dialoguer avec la CPH.
  • La CPH envoie l'ordre de verrouillage.
  • Le calculateur d'injection se verrouille et coupe l'alimentation du relais double (1er étage).

  • 19.3 - Procédure d'échange de pièces.

    Se reporter au chapitre :réparation.

    20 - Affichage des défauts - Modes de fonctionnement dégradés

    20.1 - Affichage des défauts.

    L'apparition de certains défauts dans le système d'injection se traduit par l'allumage du voyant diagnostic moteur.

    Le voyant diagnostic moteur s'allume en présence de défaut sur les éléments ou informations suivants :
  • Tension condensateur N° 1(étage de commande d'injecteur diesel dans le calculateur d'injection).
  • Tension condensateur N° 2(étage de commande d'injecteur diesel dans le calculateur d'injection).
  • Capteur haute pression carburant.
  • Boucle de surveillance de la pression dans la rampe d'injection commune.
  • Capteur pédale d'accélérateur(étage N° 1).
  • Capteur pédale d'accélérateur(étage N° 2).
  • Capteur de pression de suralimentation.
  • Débitmètre d'air.
  • Alimentation des capteurs N° 1.
  • Alimentation des capteurs N° 2.
  • Fonction recyclage des gaz d'échappement (régulation).
  • Électrovanne de régulation de pression de suralimentation.
  • Régulateur haute pression carburant.
  • Défaut injecteur diesel( 1 à 4).

  • 20.2 - Modes de fonctionnement dégradés.

    Le système d'injection gère les modes dégradés suivants :
  • Un mode de fonctionnement avec un débit carburant réduit.
  • L'autre mode se traduit par l'arrêt immédiat du moteur.

  • 20.3 - Débit carburant réduit.

    Ce mode de fonctionnement dégradé limite le débit de carburant, le régime moteur ne peut en aucun cas dépasser 3200 tr/mn.

    Le système d'injection passe en mode "débit réduit" lorsque qu'un défaut est présent sur un des éléments suivants :
  • Capteur haute pression carburant.
  • Boucle de surveillance de la pression dans la rampe d'injection commune.
  • Capteur pédale d'accélérateur(étage N° 1).
  • Capteur pédale d'accélérateur(étage N° 2).
  • Capteur de pression tubulure d'admission.
  • Débitmètre d'air.
  • Capteur de vitesse véhicule.
  • Fonction recyclage des gaz d'échappement (régulation).
  • Électrovanne de régulation de recyclage (E.G.R).
  • Régulateur haute pression carburant.

  • 20.4 - Coupure de compresseur de climatisation.

    Le calculateur d'injection provoque la coupure de l'alimentation de l'embrayage du compresseur de climatisation si un défaut est détecté sur les bobines de relais de commande des motoventilateurs.

    20.5 - Désactivateur du 3ème piston de pompe haute pression carburant.

    Lorsque la température du carburant est supérieure à 106 °C, le calculateur d'injection désactive le 3ème piston de pompe haute pression (désactivateur alimenté).

    20.6 - Arrêt moteur.

    Le système provoque l'arrêt immédiat du moteur lorsqu'un défaut est présent sur l'un des éléments suivants :
  • Eprom dans le calculateur d'injection.
  • Capteur de régime moteur.
  • Capteur de position arbre à cames.
  • Tension condensateur N° 1(étage de commande d'injecteur diesel dans le calculateur d'injection).
  • Tension condensateur N° 2(étage de commande d'injecteur diesel dans le calculateur d'injection).
  • Boucle de surveillance de la pression dans la rampe d'injection commune.
  • Défaut injecteur diesel( 1 à 4).

  • 21 - Fonction information conducteur

    21.1 - Voyant diagnostic.

    Fonctionnement normal du voyant :
  • Le voyant s'allume dès la mise du contact.
  • Le voyant s'éteint après une temporisation de 3 secondes.

  • Fonctionnement anormal du voyant :
  • Le voyant s'allume dès la mise du contact.
  • Le voyant reste allumé.

  • 21.2 - Signal compte-tours.

    Le calculateur d'injection envoie le signal régime moteur au combiné sous forme de créneaux de tension.

    21.3 - Signal consommation instantanée de carburant.

    Le calculateur d'injection envoie à l'ordinateur de bord l'information consommation instantanée sous forme de créneaux de tension.

    21.4 - Voyant préchauffage (V1150).

    Fonctionnement normal du voyant :
  • Allumage du voyant pendant la durée du préchauffage( 20 secondes maximum).
  • Extinction du voyant en fin de préchauffage.

  • 21.5 - Voyant d'alerte température d'eau moteur.

    Le voyant d'alerte de température d'eau peut être commandé par l'un des éléments suivants :
  • Calculateur d'injection.
  • Sonde de température d'eau( 3 voies).

  • Fonctionnement normal du voyant :
  • Le voyant s'allume si la température dépasse 118 °C.
  • Le voyant s'éteint si la température descend en dessous de 117 °C.
  • Le voyant clignote en cas de rupture de la ligne électrique de la sonde de température d'eau moteur.