PRINCIPE DE FONCTIONNEMENT : :INJECTION BOSCH MP 7.0 :

POUR 1CV8 ET DVY01 ET B0F3H ET DEPUIS O 7480 OU

POUR 1CX1 ET DVY01 ET B0F3H ET DEPUIS O 7267 OU

POUR 1C2X ET DVY01 ET B0F3H ET DEPUIS O 7668


1 - Injection/allumage

Le calculateur gère à la fois l'injection et l'allumage (dosage du mélange air essence).

La quantité de carburant injecté est proportionnelle au temps d'ouverture des injecteurs qui est déterminé en fonction de 3 paramètres principaux :
  • Charge moteur :Capteur pression.
  • La vitesse de rotation moteur (capteur PMH).
  • De l'information de la sonde à oxygène.

  • De multiples autres corrections sont également appliquées lors du fonctionnement, afin de tenir compte des variations :
  • De l'état thermique du moteur (sonde de température d'eau) .Exemple :Correction de démarrage moteur froid.
  • Des conditions de fonctionnement (phase de ralenti, stabilisé, pleine charge, régimes transitoires, coupure d'injection).
  • De la pression atmosphérique (correction altimétrique).


  • NOTA : Les phases d'injection et d'allumage sont présentées au chapitre :principe général.

    1.1 - Correction de démarrage moteur froid.

    Le calculateur d'injection corrige le débit des injecteurs pendant l'action du démarreur.

    Cette quantité est injectée en mode asynchrone donc constante dans le temps et ne dépend que de la température du liquide de refroidissement.

    Le moteur une fois démarré reçoit une quantité injectée en mode synchrone avec l'allumage qui varie en permanence avec son évolution thermique.

    En parallèle, le débit d'air additionnel est contrôlé en fonction des mêmes paramètres, ce qui permet d'avoir un régime moteur après départ fonction de la température.

    1.2 - Régulation du régime de ralenti.

    Le système est équipé d'une électrovanne de régulation de ralenti qui permet d'éviter les phénomènes suivants :
  • Importantes variations du régime de ralenti du moteur dues aux différents accessoires implantés sur les véhicules, suivant leur état de fonctionnement(climatiseur, alternateur, pompe haute pression).
  • Variations du régime de ralenti du moteur dues au vieillissement du moteur :Autoadaptation débit d'air ralenti.

  • Ce dispositif permet d'avoir un retour au ralenti progressif.

    Régime de ralenti, moteur chaud (tr/mn) : 650.

    1.3 - Fonctionnement en régimes transitoires.

    La commande des injecteurs est corrigée en fonction des variations suivantes :
  • Position du papillon.
  • Pression dans la tubulure d'admission.

  • La détection de ces régimes (accélérations/décélérations) s'effectue par l'intermédiaire du potentiomètre papillon ou du capteur de pression.

    Dans ces modes de fonctionnement la quantité de carburant injectée dépend de la variation de l'angle du papillon ou de la variation de la pression.

    1.4 - Correction pleine charge.

    En s'approchant de la pleine charge, le mélange air/carburant doit être enrichi pour obtenir les meilleures performances du moteur.

    Dans les cas des systèmes bouclés par sonde à oxygène, l'information de celle-ci n'est plus prise en compte par le calculateur :le calculateur gère alors l'avance à l'injection en boucle ouverte.

    1.5 - Synchronisation -asynchronisation.

    Les temps d'injection sont très faibles :de l'ordre de 1,5 à 2 ms en synchrone.

    Le calculateur commande l'injection à 60 ° après le PMH 6 fois par cycle.

    Il y a asynchronisation au démarrage à froid et en accélération (enrichissement instantané du mélange).

    1.6 - Coupure en décélération.

    Pendant la décélération moteur à chaud, papillon des gaz fermé (pied levé), l'injection de carburant est coupée pour :
  • Diminuer la consommation.
  • Minimiser la pollution.
  • Éviter la montée en température du catalyseur.

  • 1.7 - Correction par sonde à oxygène.

    Au ralenti moteur chaud, en stabilisé charges partielles, le signal émis par la sonde permet d'ajuster le débit de l'injecteur de façon à rester à la richesse stoechiométrique R = 1/15 ou lambda = 1.

    1.8 - Correction altimétrique.

    La masse d'air absorbée par le moteur varie en fonction de la pression atmosphérique donc avec l'altitude.

    Le calculateur tient compte de la variation de pression atmosphérique et corrige proportionnellement le temps de commande de l'injection (quantité de carburant injectée).

    Cette mesure de pression s'effectue à la mise du contact, et lorsque le moteur fonctionne à bas régime.

    1.9 - Compensation tension batterie.

    L'état de charge de la batterie a une influence sur le régime de ralenti du moteur.

    Le régime de ralenti moteur peut atteindre 1000 tr/mn pour recharger la batterie.

    1.10 - Compensation manoeuvre de parking.

    Ce manocontact permet d'augmenter le régime de ralenti à 720 tr/mn lors des manoeuvre de parking.

    Conditions d'augmentation du régime de ralenti :
  • Vitesse du véhicule inférieure à 4 km/h.
  • Manocontact actionné(assistance de direction).

  • 1.11 - Compensation climatisation.

    Lorsque la climatisation est enclenchée, le régime de ralenti est augmenté à 700 tr/mn.

    2 - Calcul de l'avance à l'allumage

    Le calcul est déterminé par le calculateur d'injection à partir d'une cartographie, en fonction des informations suivantes :
  • Régime moteur.
  • Charge moteur.
  • Température moteur.

  • Une correction dynamique de l'avance à l'injection est appliquée au ralenti.

    Cette correction stabilise le moteur par des variations d'avance d'un PMH à l'autre, en positif ou négatif, par rapport à la valeur cartographique.

    Des corrections de l'avance à l'injection sont également appliquées pendant les phases transitoires.

    3 - Autoadaptivité

    Le calculateur d'injection est capable de prendre en compte les dispersions moteurs suivantes :
  • Étanchéité du moteur durant sa durée de vie.
  • Variation de la qualité du carburant utilisé.
  • Prise d'air.

  • Les corrections apportées par le calculateur d'injection optimisent la consommation de carburant tout en limitant la pollution.

    Le calculateur d'injection agit sur les fonctions suivantes :
  • Régulation de richesse.
  • Régulation du régime de ralenti.
  • Régulation de cliquetis.

  • Les corrections d'autoadaptivité sont mémorisées par le calculateur d'injection, et sont donc réinitialisées après chaque coupure d'alimentation de celui-ci se reporter au chapitre. :réparation.

    3.1 - Autodiagnostic.

    Fonctions assurées par le calculateur d'injection :
  • Mémorisation des éventuels défauts de fonctionnement du système (permanents ou fugitifs).
  • Gestion du fonctionnement du voyant de contrôle moteur (*).
  • Application d'un mode dégradé, en cas de défaillance du système.
  • Alimentation des actionneurs pour permettre au réparateur de tester leur fonctionnement.

  • (*) implanté sur le combiné, il visualise le fonctionnement correct du moteur qui est représenté par un voyant jaune.

    3.2 - Téléchargement.

    Fig : B1HP0U5C

    Fig : B1HP0U5C

    Calculateur d'injection équipé d'une nouvelle génération de mémoire " FLASH EPROM (a)" qui remplace les mémoires type " EPROM".

    Ce type de mémoire permet, dans le cas d'une évolution de calibration, de modifier le contenu de la mémoire du calculateur sans démontage ni échange du calculateur.

    Au lieu d'effectuer l'échange du calculateur ou de l'eprom, l'opération consiste à "télécharger" le programme du calculateur dans sa mémoire, à partir d'un outil après-vente adéquat, via la prise de diagnostic.

    3.3 - Mode dégradé.

    Lorsque le calculateur d'injection détecte une anomalie, il remplace la valeur défaillante par une valeur programmée au préalable (valeur d'initialisation).

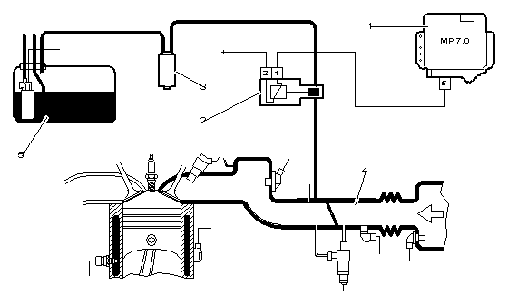
    4 - Recyclage des vapeurs d'essence (canister)

    Fig : B1HP0U6D

    Fig : B1HP0U6D

    (1) calculateur injection allumage.

    (2) électrovanne.

    (3) canister.

    (4) boîtier papillon.

    (5) réservoir à carburant.

    L'électrovanne, pilotée par le calculateur d'injection, permet le recyclage des vapeurs d'essence stockées dans le canister.

    Phases de fonctionnement :
  • Moteur arrêté :L'électrovanne est fermée ,Le canister absorbe les vapeurs de carburant en provenance du réservoir.
  • Moteur arrêté, contact mis :L'électrovanne est fermée.
  • Moteur tournant :Le calculateur d'injection commande l'électrovanne de purge en tension variable pour augmenter la richesse du mélange air/carburant, en aval du papillon(sous certaines conditions).

  • 5 - Antidémarrage codé

    Le clavier "ADC" communique avec le calculateur d'injection par l'intermédiaire d'une liaison série.

    Le déverrouillage du calculateur d'injection n'est possible que lorsque celui-ci reconnaît le code émit par le clavier ADC sous forme de message série.


    ATTENTION : En cas de perte du code d'antidémarrage codé, il est nécessaire de procéder au changement du calculateur d'injection.

    6 - Ordinateur de bord(selon équipement)

    Le calculateur d'injection envoie à l'ordinateur de bord l'information consommation instantanée sous forme de créneaux de tension.

    7 - Réfrigération(selon équipement)

    Fig : B1HP0U7D

    Fig : B1HP0U7D

    (1) calculateur injection allumage.

    (6) interrupteur commande réfrigération.

    (7) thermistance évaporateur.

    (8) calculateur climatisation.

    (9) relais coupure compresseur réfrigération.

    (10) boîtier de température d'eau.

    (11) pressostat.

    (12) relais compresseur réfrigération.

    (13) compresseur réfrigération.

    Le calculateur peut couper l'alimentation de l'embrayage électromagnétique du compresseur de réfrigération dans les cas suivants :
  • Régime moteur < 600 tr/mn.
  • Démarrage du véhicule.
  • Lors d'une accélération(reprise à bas régime, forte charge).
  • Régime moteur > 6000 tr/mn.

  • Le boîtier de température d'eau interdit le fonctionnement de la réfrigération pour des températures < 30 °C ou > 120 °C.

    8 - Boîte de vitesses automatique(selon équipement)

    8.1 - Généralités.

    Le calculateur injection allumage dialogue avec le calculateur boîte de vitesses automatique afin d'assurer un fonctionnement optimal de la boîte de vitesses et du moteur.


    ATTENTION : Suite à un incident sur l'injection, il est indispensable de lire les défauts du calculateur d'injection et du calculateur boîte de vitesses automatique.
    Le calculateur boîte de vitesses automatique reçoit les informations suivantes du calculateur d'injection :
  • Position papillon.
  • Couple moteur.
  • Régime moteur.
  • Température eau moteur.

  • Le calculateur d'injection reçoit l'information changement de rapport du calculateur boîte de vitesses automatique.

    8.2 - Estompage de couple.

    La qualité de passage des vitesses est améliorée par un ordre d'estompage du couple moteur donné par le calculateur de la boîte de vitesses au calculateur d'allumage injection.

    Le couple moteur est réduit par diminution de l'avance à l'allumage suivant une table préprogrammée.

    Le calculateur boîte de vitesses automatique vérifie la phase d'estompage de couple en surveillant le régime moteur.

    Au déplacement du levier de la position P/N vers une autre position, le calculateur boîte de vitesses automatique demande au calculateur d'injection allumage un estompage de couple.